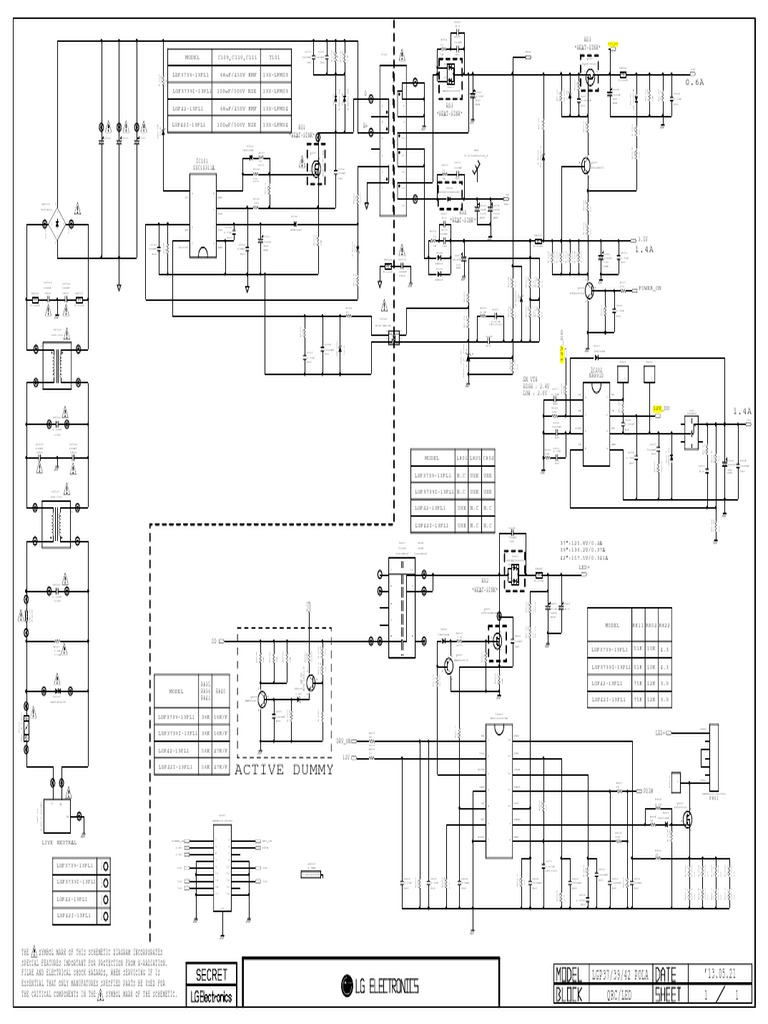
Led Tv Power Supply Schematic Diagram

Lg Eax64905301 Led Tv Power Supply

Tv Power Schematic Diagram Data Pre

Arduino Potentiometer Led Brightness And Fan Speed

Lg Led Tv No Backlights 32ln5300 32ln5310 32ln5700 Voltage Test Troubleshoot Leds Power Supply

Lcd Led Tv Mk 5z Main Power Supply 65 100w Buy Led Tv Power Module Led Tv Power Supply Module Intelligent Power Supply Lcd Tv Product On Alibaba Com