Schaltplan Golf 1

Kein pumpenvorlauf bei klemme 15 und auch kein pumpenlauf bei anlasserdrehen. Die benzinpumpe lauft nicht mehr pumpe an sich funktioniert da ich ein dauerplus zum ausprobieren runtergelegt habe masse ist also auch vorhanden sicherung ist auch io.

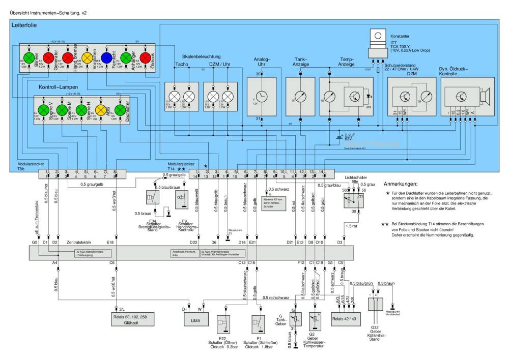
Start Reparaturtips Armaturen Schalttafeleinsatz Www Lt

Schubumluft Kaltstart Warmlauftegler Www Golfcabrio De

Ze Alt Schaltplan Golf 1 Automatik Gesucht Anlasser

Syncro16 Schaltplan Fur Syncro Getriebe Gesucht Vw Golf

Stromlaufplan Golf 1 Cabrio Jh Motor Gesucht Elektrik